HDER-3EZ
Digital Overcurrent Relay
■ Compact Design
■ MCU( Microprocessor Control Unit ) Based
■ Three Integral Current Transformers
■ Multiple Protection Functions
■ Digital Ammeter/3 Phase Current Display
■ Troubleshooting/Trip Cause Memory, Display
■ Adjustable Operating Features by Mode switch
■ Wide Current Adjustment Range
■ Selectable Time-Current Characteristics(Inverse/Definite)
■ Manual(Instantaneous)/Electrical(Remote)Reset
■ Test Function
■ Ambient Insensitive
■ Selectable Fail-safe and Non-fail-safe Operation Modes
■ Inverter (20~400Hz)
Protection:
Protective Item | Trip Time |
Over-current | DEF:0.2~30 sec, INV:1~30 class |
Under-current | 0.5~30 sec (Definite time) |
Phase Loss | Whit in 3 sec |
Phase Unbalance | within 8 sec |
Phase Reversal | 0.1sec |
Locked Rotor | Lock : within 0.5sec after D-time(in DEF set) |
Ground Fault | 0.05~10 sec (Definite time) |
Specification:
Current Range | Over-Current(oc) | 0.5~960A(Over 60A with External CTs) | |
Under-Current(uc) | 0.5~59A/OFF(Over 60A with External CTs) | ||
Ground Fault | 0.02~3A | ||
Time Setting Range (O-TIME) | Start Delay Time (D-TIME) | 1~200sec (Definitive) | |
Trip Delay Time Setting (O-TIME) | INV | 1-30 | |
DEF | 0.2-30 sec | ||
Control Voltage | 110VAC±15%, 220VAC±15%, 24VAC/DC | ||
Output Relay | OC/UC | 2-SPST, 3A/250VAC Resistive | |
GR | 1-SPST,3A/250VAC Resistive | ||
Time Characteristic | In/"tc"mode | Inverse | |
dE/"tc"mode | Definite | ||
Trobleshooting/Trip Indication | LED Display(3 Trip causes memory) | ||
Current Sensing | 3-CT | ||
Mounting | 35mm DIN-Rail/Panel | ||
Installation dimension drawing:

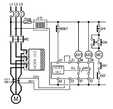
Circuit diagram:

Contact Us
- TEL: +86-577-61771181
- FAX: 86-577-62671829
- Mobile: +86 13858844068
- Email: kathy@cnhder.com

HOME


I want to make an inquire
